| 閥體材質 | WCB、304不銹鋼、316不銹鋼 |
|---|---|
| 公稱通徑 | DN25~250mm |
| 公稱壓力 | PN1.6MPa、2.5MPa、Class150 |
| 密封形式 | 聚四氟乙烯PTFE密封(-40~+150℃)合金鋼密封(-29-+425℃) |
| 適用介質 | 水、蒸汽、油品、硝酸、醋酸、氧化性介質、尿素等多種介質 |
| 驅動形式 | 手柄、蝸輪、電動、氣動、液動等 |
| 行業應用 | 應用于 醫療器械、太陽能、清洗設備、食品機械、燃燒器、焊接切割、消防安全、生物制藥、機械制造等行業等 |
V型對夾球閥一般采用金屬密封,適合高溫和耐磨場合使用,閥體是對夾式連接,由于它的球芯帶有V型結構,使之與可動硬密封閥座之間具有良好密封性能與剪切功能。因此除適用于液體、氣體等介質外,特別適用于造紙、食品、石油、化工、冶金、電力、制藥、污水處理等行業中含有纖維或微小固體顆粒的懸濁液與粘度大的介質中,實現對有關工藝參數的控制。
執行機構選型
V型對夾球閥通過支架和聯軸器和電動執行機構和氣動執行機構連接,組成,電動V型對夾球閥(開關型和調節型控制信號4-20mA)和氣動V型對夾球閥(開關型和調節型控制信號4-20mA)
| 序號 | 名稱 | 數量 (件) | 材料 | ||
|---|---|---|---|---|---|
| 1 | 閥體 | 1 | WCB | CF8 | CF8M |
| 2 | 閥芯 | 1 | CF8表面鍍硬鉻 | CF8表面鍍硬鉻 | CF8M表面鍍硬鉻 |
| 3 | 圓柱銷 | 2 | 304 | 304 | 316 |
| 4 | 閥座 | 1 | 304堆焊硬質合金 | 304堆焊硬質合金 | 316堆焊硬質合金 |
| 5 | 彈簧 | 1 | 17-7PH | 17-7PH | 316 |
| 6 | O型圈 | 1 | 氟橡膠 | 氟橡膠 | 氟橡膠 |
| 7 | 自潤滑軸承 | 304+PTFE | 304+PTFE | 316+PTFE | |
| 8 | 下閥桿 | 1 | 20Cr13 | 304 | 316 |
| 9 | O型圈 | 1 | 氟橡膠 | 氟橡膠 | 氟橡膠 |
| 10 | 后壓蓋 | 1 | WCB | CF8 | CF8M |
| 11 | 環墊 | 1 | PTFE | PTFE | PTFE |
| 12 | 調節墊片 | 1 | PTFE | PTFE | PTFE |
| 13 | 平墊片 | 4 | Q235 | 304 | 304 |
| 14 | 螺栓 | 4 | 25 | 304 | 304 |
| 15 | 雙頭螺柱 | 2 | 25 | 304 | 304 |
| 16 | 自潤滑軸承 | 1 | 304+PTFE | 304+PTFE | 316+PTFE |
| 17 | 平鍵 | 1 | 20Cr13 | 304 | 316 |
| 18 | 下填料 | 1 | PTFE | PTFE | PTFE |
| 19 | 中填料 | 1組 | PTFE | PTFE | PTFE |
| 20 | 上填料 | 1 | PTFE | PTFE | PTFE |
| 21 | 填料壓蓋 | 1 | WCB | CF8 | CF8M |
| 22 | 螺母 | 2 | 35 | 304 | 304 |
| 23 | 上閥桿 | 1 | 20Cr13 | 304 | 316 |
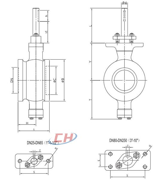
| DN | A | H | B | C | T | Y | L | L | φd | h | S | K | M | Z | 扭矩 |
|---|---|---|---|---|---|---|---|---|---|---|---|---|---|---|---|
| 25 | 50/60 | 30 | 68 | 38 | 81 | 73 | 102 | 75 | 16 | 35 | 75 | 2-M10 | 5 | 32 | |
| 32 | 60 | 35 | 76 | 45 | 86 | 78 | 100 | 75 | 16 | 35 | 75 | 2-M10 | 5 | 40 | |
| 40 | 60 | 35 | 84 | 50 | 90 | 80 | 102 | 75 | 16 | 35 | 75 | 2-M10 | 5 | 76 | |
| 50 | 75 | 43 | 100 | 62 | 93 | 90 | 104 | 75 | 16 | 35 | 75 | 2-M10 | 5 | 90 | |
| 65 | 100 | 50 | 118 | 73 | 108 | 105 | 102 | 75 | 16 | 35 | 75 | 2-M10 | 5 | 100 | |
| 80 | 100 | 57 | 132 | 90 | 123 | 118 | 110 | 75 | 20 | 35 | 90 | 28 | 4-M10 | 6 | 140 |
| 100 | 115 | 65 | 158 | 115 | 138 | 130 | 108 | 75 | 20 | 35 | 90 | 28 | 4-M10 | 6 | 150 |
| 125 | 129 | 78 | 184 | 134 | 148 | 145 | 110 | 80 | 25 | 40 | 90 | 28 | 4-M10 | 8 | 200 |
| 150 | 160 | 95 | 216 | 164 | 170 | 170 | 124 | 94 | 30 | 50 | 110 | 40 | 4-M12 | 8 | 300 |
| 200 | 200 | 120 | 268 | 206 | 200 | 201 | 124 | 94 | 30 | 50 | 110 | 40 | 4-M12 | 8 | 500 |
| 250 | 240 | 148 | 326 | 260 | 240 | 237 | 140 | 98 | 40 | 60 | 135 | 40 | 4-M16 | 12 | 800 |
| 球閥說明書 | 下載 |
|---|---|
| 球閥說明書-上海川滬閥門有限公司 | 點擊下載 |